Demuestran que se pueden robar datos de computadoras sin Internet a través de la red eléctrica

Un equipo de investigadores israelíes demostró en un estudio que es posible robar datos de computadoras sin conexión a Internet a través del cableado de la red de energía eléctrica.
El enfoque está puesto en los equipos “air-gap” (en inglés), que son los que no están conectados a Internet ni a ninguna red local, por lo que se cree que son los más seguros y por consiguiente los más difíciles para penetrar y robar datos.
Los autores, que pertenecen a la Universidad Ben-Gurión del Néguev, ya habían revelado varios métodos para robar datos de computadoras “air-gap” a través de ondas de luz, sonido, calor, electromagnéticas, magnéticas y ultrasónicas, recordó el sitio especializado The Hacker News.
“Como parte de una agresión dirigida, un adversario puede infiltrarse en los sistemas air-gap usando ingeniería social, ataques a la cadena de suministro o software malicioso”, sostienen los investigadores.
Asimismo, observaron que varias amenazas persistentes avanzadas (APT, por sus siglas en inglés) -un conjunto de procesos para llevar a cabo ataques informáticos- descubiertas en la última década son capaces de infectar este tipo de redes.
Una de las técnicas que mencionaron se denomina“PowerHammer” e implica controlar la utilización de la CPU de una computadora sin conexión a Internet al usar un malware especialmente diseñado.
La idea es crear fluctuaciones en el flujo de corriente a través de un patrón que use código morse para transferir sugerencia de datos en forma binaria (es decir, 0 y 1).

Según explicó el blog especializado Segu-Info, una computadora consume una cantidad de energía uniforme de manera predeterminada.
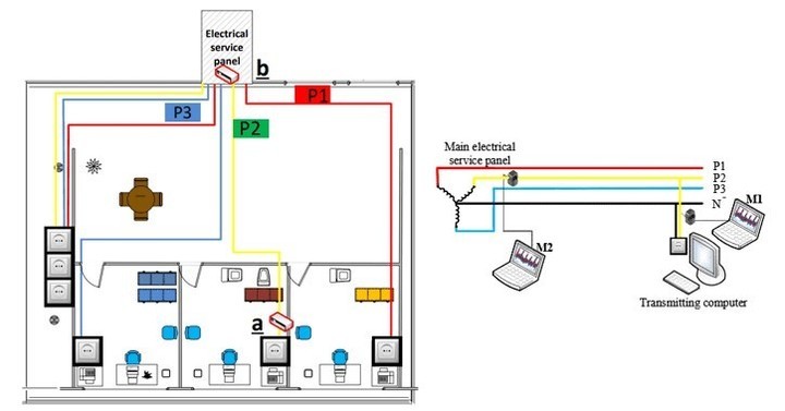
Se trata de dos tipos de ataque con este malware: uno que está orientado a modificar el cable de alimentación entre el equipo y la toma de corriente y otro vinculado a cuando los atacantes tocan la línea de energía desde la base (panel eléctrico de un edificio).
De acuerdo con la investigación, en el primer tipo, los atacantes podrían extraer los datos de la computadora a una velocidad de 10 a 1.000 bits por segundo.
Si bien se trata de un hallazgo muy importante, los investigadores sostienen que se trata de técnicas que hasta el momento solo las agencias de inteligencia gubernamentales tendrían la capacidad de llevarlas a cabo.

